INNOVATION & TECHNOLOGY
Incidence Energy is striving to develop new technologies and innovative cost effective products by considering usability, quality, performance and safety aspects in mind and to set new benchmarks in the area of power conversion, conditioning & storage and motion control etc.
Electric Motors & Drives
Electric motors are being used almost everywhere in many of the applications like consumer, industrial, automotive applications etc. They can be found in your washing machines, air-conditioners, refrigerator, compressors, food processor, microwave oven, dryers, vacuum cleaners, fans, water pumps, solar water pumps, wind turbines, 2W/3W, cars and so many other products or applications where they need to run as efficiently as possible to reduce the power consumptions/electricity bills and significant contribution to reduce CO2 emission which is one of the major challenge globally. Each application or product has a specific requirement of type of electric motor and its control drives or techniques primarily based on the usability, performance, cost, efficiency, precision, reliability and safety etc.
Given the tight target of reducing the CO2 emission, more and more requirement of electrical machines with higher efficiency is need of the hour. The mechanical power is required to be generated from electrical power with maximum efficiency, lower cost and lower noise emissions. This has given raise to modern electrical motors and advanced drives to run these motors.

BLDC, PMSM and induction motors are widely used with modern Vector control to have good efficiency and torque to speed characteristics. Field oriented control (FOC) is a control method (A typical block diagram is show in figure) in which the stator currents of a three-phase AC or brushless DC electric motor are identified as two orthogonal components that can be visualized with a vector. One component defines the magnetic flux of the motor, the other the torque.
The stator currents can be transformed through clarke and park transformations to get the magnetic flux and torque components. Suitable control system can be applied to get the required performance from motor. Each of them be separately controlled as DC quantities and reverse transformed to stator quantities.
Incidence Energy offers a wide range of the motor control drive solutions for various type of motor (1 & 3 Phase AC Induction, PMSM, BLDC, PMDC etc) applications like Solar water pumps, Compressors, BLDC fans, 2W/3W automotive motor drive and other application specific solutions etc.
Maximum Power Point Tracking:
Maximum power point tracking (MPPT) is a technique used with energy sources with variable power to maximize energy extraction under all operating conditions. The technique is most commonly used with photovoltaic (PV) solar systems, but can also be used with other systems like wind turbines, optical power transmission and thermo photo voltaic etc.
MPPT is an algorithm implemented in PV systems (Power converter or inverters or charge controllers) to continuously adjust the impedance seen by the solar PV module or array to keep the PV system operating at, or close to, the peak power point of the PV panel under various dynamic operating conditions, like changing solar irradiance, temperature, and load. Several MPPT techniques or algorithms have been tried and implemented by researchers to maximize the power generated by PV systems in various configurations or applications. These techniques vary in many aspects as: simplicity, analogue or digital control based implementation, response time, convergence speed, sensors required, cost, range of effectiveness, and in other aspects related to end product or application.
The MPPT algorithms control the voltage to ensure that the system operates at “maximum power point” (or peak voltage) on the power voltage curve, as shown in figure.

The MPPT of the PV system can improve solar array output typical by 20~30%, and it is very important to operate at this point at all times to increase the efficiency and overall output of the PV system. Microcontrollers/Digital Signal Processor/Digital Signal Controllers are generally used to implement the MPPT algorithms in PV systems. Commonly used or discussed MPPT algorithms are like Perturb and observe, Incremental conductance, Current Sweep, Short current pulse, Open circuit voltage, Constant voltage, Temperature method, Fuzzy Logic and Artificial neural network methods etc.
Having a team with vast experience in simulations and actual implementation of the various MPPT techniques/algorithms by digital control using microcontrollers / digital signal processors, Incidence Energy offers various solutions for MPPT power converters and commercial products for various applications like PV Solar off-grid energy storage systems/power conditioning units/Inverters/UPS, Solar charge controllers, Solar EV in figure, On-grid PV systems, Hybrid PV systems and Street-lighting systems etc.
Internet of Things (IOT), Connectivity and Mobile Apps
Internet of Thing (IOT) is an ecosystem of various embedded devices or systems that exchange data over wired to wireless network. These embedded devices include hardware devices, sensors, software and other technologies to communicate with other devices in network and transfer data to server located in cloud or locally. Data generated by IOT enabled systems used to take actions for any alert generation, predictive analysis and maintenance etc. Scope of IOT systems varies from monitoring & control of one small machine to monitoring, analytics, managing & control of huge solar power plant to manufacturing units to smart cities etc.
A mobile app is a medium between an IOT device enabled systems and a mobile phone. The mobile app works as the primary interface through which you can manage smart things locally or remotely as mobile phones have all connectivity option like Wi-Fi and Bluetooth etc. Mobile app supplement and enhance the use of the IOT systems to make it work more efficiently and smartly. Typical example of IOT architecture layers and components as shown in figure.

Incidence Energy offers smart, connected and IOT solutions to monitor and control the complete systems locally or through remote/cloud server or through mobile applications for various applications specially for energy/renewable energy managements, home appliances, consumer and industrial products. Our complete product offering simplify the development of the wired and wireless connected solutions to take these directly to production and launch of the products with or without customization and to speeding up your business vertical or revenue stream.
Our offering for wired or wireless monitoring & control solutions includes:
- 8-32bits controller based IOT enable interface systems with various sensors options like voltage, current, power, temperature, humidity, moisture, gas, smoke sensors.
- GSM/GPRS, BLE, Wi-Fi devices.
- SPI, I2C, Ethernet (LAN), RS232, MODBUS RS-485 or CAN bus communication.
- Supports multiple communication protocol such as MQTT, TCP IP, HTTP/HTTPS etc.
- Supports FOTA update.
- Local or central monitoring & control system through local or cloud server or mobile app.
- Android and iOS Mobile Apps etc.

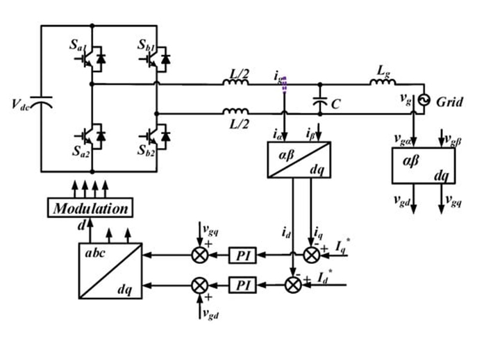
GRID TIED INVERTER
A grid-tie inverter converts direct current (DC) into an alternating current (AC) suitable for injecting into an electrical power grid, at the same voltage and frequency of that power grid. Grid-tie inverters are used between local electrical power generators: solar panel, wind turbine, hydro-electric, and the grid. [1]
To inject electrical power efficiently and safely into the grid, grid-tie inverters must accurately match the voltage, frequency and phase of the grid sine wave AC waveform.
LITHIUM ION BATTERY WITH BMS
A lithium-ion or Li-ion battery is a type of rechargeable battery that uses the reversible intercalation of Li+ ions into electronically conducting solids to store energy. In comparison with other commercial rechargeable batteries, Li-ion batteries are characterized by higher specific energy, higher energy density, higher energy efficiency, a longer cycle life, and a longer calendar life. Also noteworthy is a dramatic improvement in lithium-ion battery properties after their market introduction in 1991: over the following 30 years, their volumetric energy density increased threefold while their cost dropped tenfold.
A battery management system (BMS) is any electronic system that manages a rechargeable battery (cell or battery pack) by facilitating the safe usage and a long life of the battery in practical scenarios while monitoring and estimating its various states (such as SoH, and SoC),[1] calculating secondary data, reporting that data, controlling its environment, authenticating or balancing it.[2] Protection circuit module (PCM) is a simpler alternative to BMS.[3] A battery pack built together with a battery management system with an external communication data bus is a smart battery pack.


SOLAR HYBRID INVERTERS
Solar doesn’t just mean ADDING solar panels, but hybrid solar systems include battery storage so you can save the power your panels generate during the day and use it later, when the sun isn’t shining.
A hybrid solar system is a renewable energy system may have grid-tied and includes battery storage. The system uses solar panels to produce energy during the day, while the batteries store excess energy for use later at night when there is no sunlight, or in day time it will first store energy in battery and then feed home loads in offline Mode or feed to the grid if required.
Hybrid solar systems are efficient, reliable, and a great investment for homeowners looking to go solar.
SOLAR WATER PUMP CONTROLLER
A PV solar-powered pump system has three main parts – one or more solar panels, a controller, and a pump. The solar panels make up most (up to 80%) of the system’s cost. The size of the PV system is directly dependent on the size of the pump, the amount of water that is required, and the solar irradiance available.
The purpose of the controller is twofold. Firstly, it matches the output power that the pump receives with the input power available from the solar panels. Secondly, a controller usually provides a low- or high-voltage protection, whereby the system is switched off, if the voltage is too low or too high for the operating voltage range of the pump. This increases the service life of the pump, thus reducing the need for maintenance. Other ancillary functions include automatically shutting down the system when the water source level is low or when the storage tank is full, regulating water output pressure, blending power input between the solar panels and an alternate power source such as the grid or an engine-powered generator, and remotely monitoring and managing the system through an online portal offered as a cloud service.
Voltage of the solar pump motors can be alternating current (AC) or direct current (DC). DC motors are used for small to medium applications up to about 10 kW rating, and are suitable for applications such as garden fountains, landscaping, drinking water for livestock, or small irrigation projects. Since DC systems tend to have overall higher efficiency levels than AC pumps of a similar size, the costs are reduced, as smaller solar panels can be used.





